Toro BC 25 Brush Chipper , US Praxis WC 240, Toro BC25 Log Splitter and US Praxis Log Machine Parts
703-919-1379
6799 Kennedy Road Suite E
Warrenton VA 20187
www.esequipmentllc@gmail.com
toro
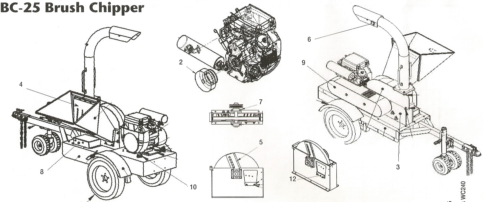
Toro BC-25 Brush Chipper Parts Diagram
HomeToro Dingo Models+ AttachmentsSkid Steer AttachmentsStump GrindersTrenchersChipperAeratorsSeeder
DethatcherRotary BroomConcrete MasonryCompactionMaxi SneakerUsed Toro Dingo EquipmentToro Dingo PartsSite Map


Toro LS-9 Log Splitter and US Praxis Log Machine Parts
Toro LS-9 Log Splitter and US Praxis LS-9 Log Splitter Parts Diagram
     Reference           Part                  Part
     Number              Number            Description                             Brand of Brush Chipper this part is used on         

          1                   120-1206           Wheel and Tire Assembly          Used on All Toro and US Praxis Brush Chippers 

          2                   120-1217           Chipper Clutch                          Used on All Toro and US Praxis Brush Chippers

          3                   120-1292           Plunger                                    Used on All Toro and US Praxis Brush Chippers

          4                   120-1454           Chipper Flap                             Used on All Toro and US Praxis Brush Chippers

          5                   120-1482           Chipper Blade                           Used on All Toro and US Praxis Brush Chippers

          6                   120-1537           Knob                                        Used on All Toro and US Praxis Brush Chippers

          7                   120-1538           Bearing ASM                            Used on All Toro and US Praxis Brush Chippers

          8                   120-1542           Battery                                     Used on All Toro and US Praxis Brush Chippers

          9                   120-1546           Chipper V Belt                          Used on All Toro and US Praxis Brush Chippers

         10                  120-1734           Gas Cap                                   Used on All Toro and US Praxis Brush Chippers

          *                    323-10              Screw HH                                 Used on All Toro and US Praxis Brush Chippers

         12                   FS0220            Cutter Block                             Used on All Toro and US Praxis Brush Chippers

Toro BC 25 Brush Chipper Reference DiagramToro BC 25 Brush Chipper Reference Diagram
Toro BC 25 Brush Chipper Reference DiagramToro BC 25 Brush Chipper Reference DiagramToro BC 25 Brush Chipper Reference Diagram
Toro BC 25 Brush Chipper Reference DiagramToro BC 25 Brush Chipper Reference DiagramToro BC 25 Brush Chipper Reference DiagramToro BC 25 Brush Chipper Reference Diagram
Toro BC 25 Brush Chipper Reference DiagramToro BC 25 Brush Chipper Reference DiagramToro BC 25 Brush Chipper Reference Diagram
Toro BC 25 Brush Chipper Reference DiagramToro BC 25 Brush Chipper Reference Diagram
Toro BC 25 Brush Chipper Reference Diagram
Toro BC 25 Brush Chipper Reference DiagramToro BC 25 Brush Chipper Reference Diagram
HomeToro Dingo Models+ AttachmentsSkid Steer AttachmentsStump GrindersTrenchersChipperAeratorsSeeder
DethatcherRotary BroomConcrete MasonryCompactionMaxi SneakerUsed Toro Dingo EquipmentToro Dingo PartsSite Map

E&S Equipment, LLC
6799 Kennedy Road Suite E
Warrenton VA 20187
(703) 919-1379
www.esequipmentllc.com
      Reference                Part                    Part   
      Number                   Number              Description                          Brand of Log Splitter this Part is Used on

           1                        120-1377             Handle Grip                           Used on All Toro and US Praxis Log Splitters     

           2                        120-1412             Breather Cap                         Used on All Toro and US Praxis Log Splitters

           3                        120-1414             Hydraulic Filter                      Used on All Toro and US Praxis Log Splitters

           4                        120-1206             Wheel and Tire ASM              Used on All Toro and US Praxis Log Splitters

           *                         120-1565             Tail Light                              Used on All Toro and US Praxis Log Splitters      
We Can Get Any Toro/ US Praxis Stump Grinder or Chipper Part and Ship them To You
Please Call Everett to Order Parts or for More Information
703 919 1379
Toro and US Praxis LS-9 Log Splitter parts DiagramToro and US Praxis LS-9 Log Splitter parts Diagram
Toro and US Praxis LS-9 Log Splitter parts DiagramToro and US Praxis LS-9 Log Splitter parts DiagramToro and US Praxis LS-9 Log Splitter parts Diagram
Toro and US Praxis LS-9 Log Splitter parts DiagramToro and US Praxis LS-9 Log Splitter parts DiagramToro and US Praxis LS-9 Log Splitter parts DiagramToro and US Praxis LS-9 Log Splitter parts Diagram
Toro and US Praxis LS-9 Log Splitter parts DiagramToro and US Praxis LS-9 Log Splitter parts DiagramToro and US Praxis LS-9 Log Splitter parts Diagram
Toro and US Praxis LS-9 Log Splitter parts DiagramToro and US Praxis LS-9 Log Splitter parts Diagram
Toro and US Praxis LS-9 Log Splitter parts Diagram
Toro and US Praxis LS-9 Log Splitter parts DiagramToro and US Praxis LS-9 Log Splitter parts Diagram
Add this page to your favorites.
Tell a friend about this page
US Praxis Log Splitter Parts Credit Card

Toro BC 25 / US Praxis WC 240 Brush Chipper Parts


Toro and US Praxis Brush Chipper Parts Diagram
 Call 703 919 1379 to get these parts shipped to you!
      

bluebird logo